F
PLL Esquema ~ Eletrônica em geral
skip to main
|
skip to sidebar
.
SITE
Transmissores
TX FM
AMPLIFICADOR DE FM
ANTENAS
AUDIO
Downloads
LOJA
DINHEIRO
Internet
Market
EBOOK
Pages
Início
Subscribe
Follow Us!
Be Our Fan
Categories
AMPLIFICADOR DE AUDIO
(8)
AMPLIFICADORES DE RF
(9)
ANTENAS
(4)
AUDIO
(2)
CURSOS
(1)
diversos
(8)
Fonte de Alimentação
(2)
Programas
(1)
Receptores
(1)
transmissores
(13)
Arquivo
Arquivo
setembro (1)
abril (4)
março (2)
dezembro (1)
novembro (6)
outubro (1)
julho (1)
junho (3)
abril (4)
dezembro (1)
novembro (2)
outubro (3)
agosto (5)
junho (4)
maio (2)
fevereiro (1)
setembro (1)
agosto (2)
maio (1)
abril (2)
março (1)
fevereiro (2)
Visitantes
.
Baofeng Uv3r
.
.
Tecnologia do
Blogger
.
Seguidores
Sobre Mim
Tudo de eletrônica
Ver meu perfil completo
.
quinta-feira, 9 de junho de 2011
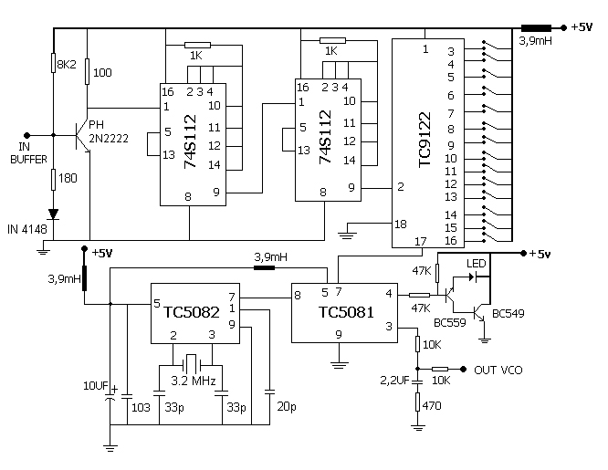
PLL Esquema
20:04
Tudo de eletrônica
No comments
Com este esquema de PLL você pode alcançar freqüências de 88 - 108 MHz com passo de 50 kHz.
Posted in:
transmissores
Postagem mais recente
Postagem mais antiga
Página inicial
0 comentários:
Postar um comentário
Share
Popular
Tags
Blog Archives
.
POSTS POPULAR
Símbolos elétricos e eletrônicos Símbolos
Símbolos elétricos e símbolos de circuitos eletrônicos são usados para desenhar diagrama esquemático. Os símbolos representam os compon...
amplificador de banda larga 150 Watts BLF177 transmissão FM (87,5-108MHz)
Poder 150watt saída com 2-3 watts de potência de entrada Tensão de 45 volts, cerca de 1,8 volts viés. ====================...
Amplificador de 100W TDA7294
Este circuito é um amplificador mono para um único canal de carga 4Ω ou 8Ω . Simples circuito de áudio classe AB. esque...
Transmissor de FM PLL
Aqui está um circuito PLL sintetizador é baseado em SA1057 e PIC16F84 que converte qualquer existente Transmissor FM em rocha sólida e está...
Camera de eco com PT2399
Breve Descrição: IC PT2399 da Princeton Technology Corporation. O pino 15 e o pino 16 de modo a formar uma capacitância, alterando a re...
Fonte de PC modificada para rádio PX e PY
Se você é radioamador e precisa de uma fonte com potência suficiente para o seu rádio , Neste arquivo, é ensinado como modificar um fonte d...
Proteção contra sobretensão
COMO MODIFICAR TANQUE FINAL DO ALAN 8001 COM TRANSISTOR MOSFET
A maioria dos radios px usam os transistores 2sc1969,2sc2312 e etc..E esta dificil de encontrar original no mercado.Mais agora a maioria dos...
SIMPLES AMPLIFICADOR DE 70W MOSFET
Esta simples MOSFET de potência do circuito amplificador de áudio, com TL071 e mosfets 2 (IRF9530, IRF530) amplificadores de potência cap...
Amplificador de áudio 50w com 2N3055 / MJ2 955
Este é um amplificador de áudio simples com bom desempenho. Tensão para este amplificador deve ser apenas + / - 35 Volts, mais do que isso n...
0 comentários:
Postar um comentário